产品中心
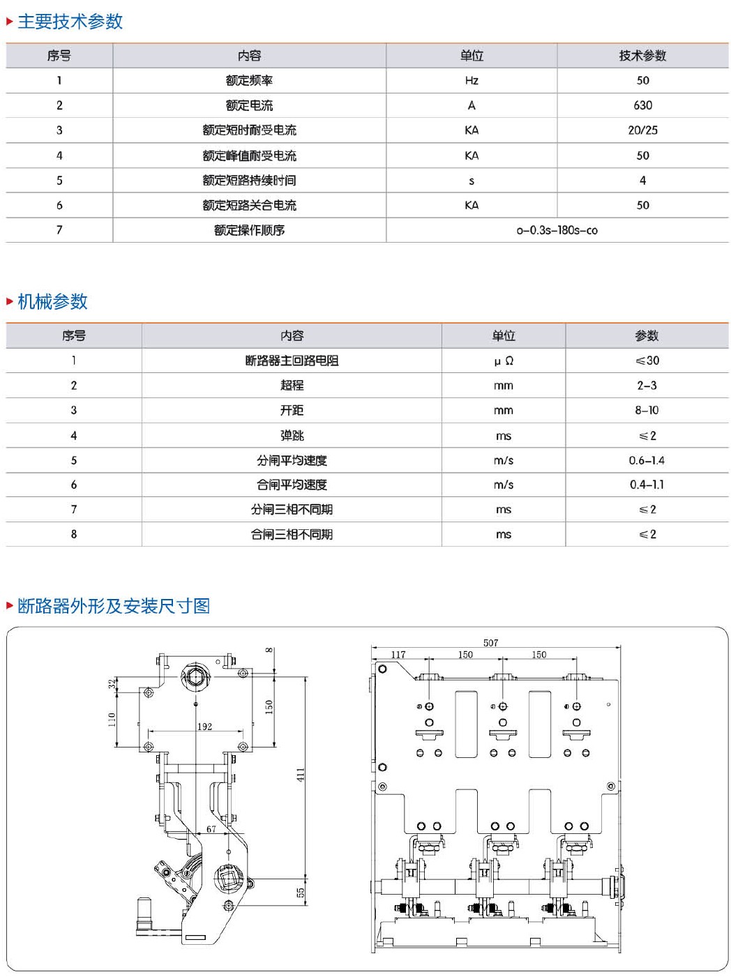
NX-VZGJ-12-630A充气柜断路器(带隔离带接地)
产品描述


服务热线:0577-62721881
公司地址:

乐清经济开发区纬15路281号

COPYRIGHT@ 耐欣电力科技有限公司 ALL RIGHT RESERVED

© 2021